
| 施工周期 | 1個月左右 | 施工地點 | 全國范圍均可 | 施工面積 | 0-1000㎡ |
|---|---|---|---|---|---|
| 凈化級別 | 百級潔凈室、千級潔凈室 | 凈化標準 | 《醫藥工業潔凈廠房設計規范》 | 凈化方式 | 垂直層流凈化 |
| 車間濕度 | 20℃-26℃ | 車間溫度 | 45-60% | 車間噪音 | - |
按照目前國內GMP標準,在細胞培養環境中,核心功能區的潔凈度等級應達到C級,局部達到100級(通過生物安全柜可以達到100級)。干細胞實驗室凈化工程一般采用垂直層流凈化的形式,其氣壓取決于其不同的區域的清潔度和新風回風量的要求。因此需要空調系統必須穩定可靠的運行,采用先進的啟動運行技術,合理利用和節約能源資源,確保實驗室內環境質量和生物安全,為實驗者提供所需的溫度和濕度,保證干細胞實驗在安全的條件下進行,以保證實驗結果的準確。
▲干細胞實驗室各區域溫濕度設計參數表
▲干細胞實驗室各區域空氣凈化級別設計參數表
干細胞實驗室包含以下功能領域
1、核心功能區:如細胞制備間,樣本接收室、干細胞制備室、配液室、檢驗室、干細胞存儲室等;
2、準備緩沖區:如Ⅰ更、Ⅱ更衣室、緩沖室、準備室等;
3、細胞儲存區:如冷凍室、細胞存儲區域(凍存室)、醫療垃圾存放室等;
4、輔助功能區:如消毒清洗室、預處理功能室等(應標識潔凈和風險級別)。
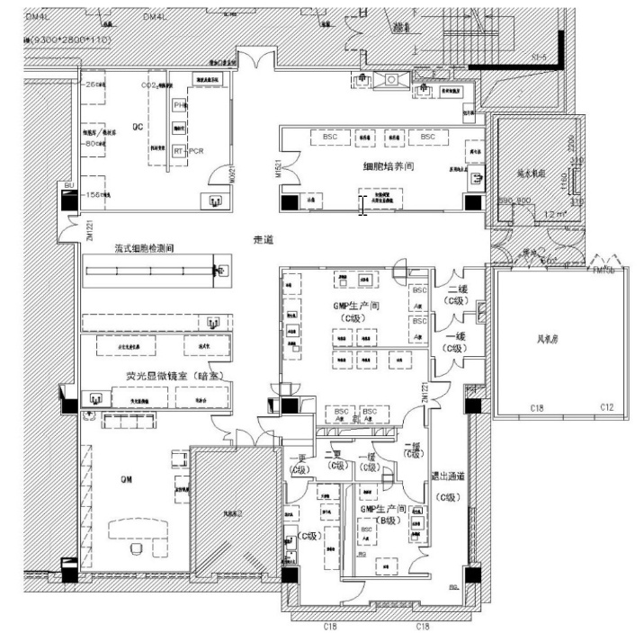
▲干細胞實驗室平面布局圖

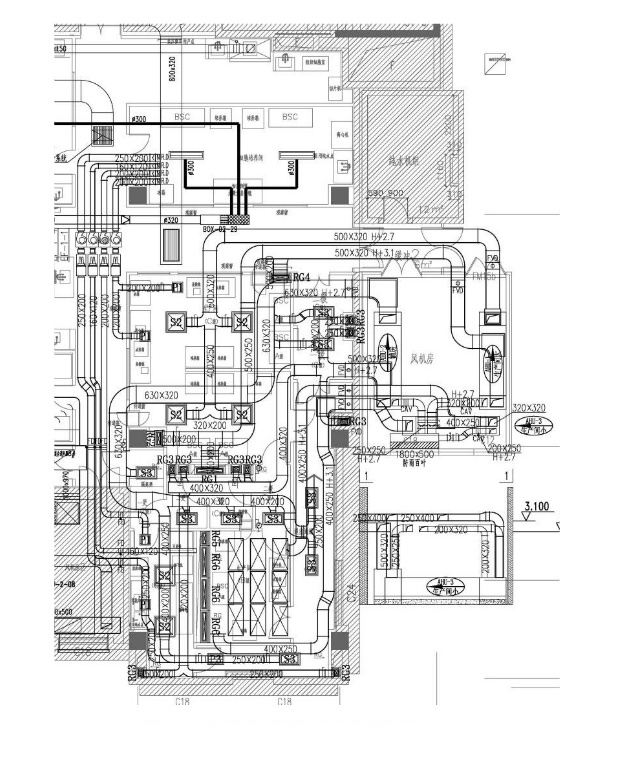
▲干細胞實驗室凈化空調系統布局圖
常用設備:生物安全柜、CO2培養箱、離心機、倒置顯微鏡、移液器、液氮罐、冰箱、水浴箱等
培養設備:培養瓶,培養板,培養皿,離心管和金屬器具。
1、補償室內排風量和保持室內正壓所需新風量之和;
2、室內每人新風量不應小于40m3/h。
干細胞實驗室的送風量,首先按照換氣次數計算送風量,萬級凈化區取換氣次數為25h-1,10萬級凈化區取換氣次數為15h-1,30萬級凈化區取換氣次數為10h-1,因此送風量均按換氣次數確定。

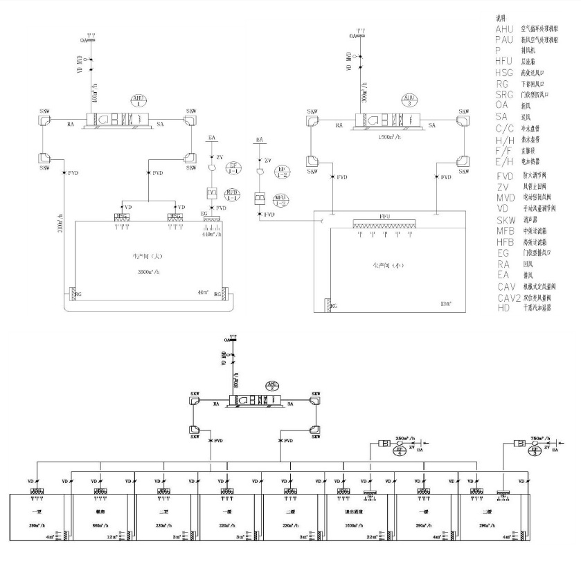
▲干細胞實驗室空調設計原理
1、自測
施工完成后需要進行調試及自測工作,其中高校過濾器安裝后的檢漏工作非常重要,高校過濾器在運輸和安裝過程中可能造成損壞,或者安裝不到位都可能造成泄漏,所有安裝后需進行在線DOP掃描檢測,檢測合格后,才能檢測房間的潔凈度。如果不對過濾器進行DOP掃描檢測,可能存在高效泄漏而房間潔凈度不達標的情況,造成潛在的醫療感染風險。
2、第三方檢測
第三方檢測主要包括:檢測溫度、相對濕度、靜壓差、換氣次數、照度,檢驗依據GB相關條款:檢測塵粒大允許數,檢驗依據GB/T相關條款。
根據檢測結果表明,實驗室潔凈區的檢測項目符合藥品生產質量管理規范(2010年修訂)的相應固定。
▲廣東干細胞實驗室凈化工程案例
▲干細胞檢驗檢測實驗室

▲干細胞實驗室凈化工程

▲山東干細胞實驗室凈化工程
1、24小時內勘察現場
確定需求后,24小時內設計團隊前往工地勘察現場,測量,記錄車間數據,為設計做基礎數據累計。
2、項目溝通出局方案
與項目負責人面對面溝通,確定項目用途,設備數量,存在問題等信息。出局具體的施工方案。
3、免費提供設計
確定現場尺寸,用途,設備信息后,由具有十五年專業工程設計人員,進行車間內部布局設計和規劃。免費提供凈化設計。
4、一站式施工服務
可為多行業企業客戶,提供凈化施工,維修,安裝等專業凈化工程服務。可提供高效率,高性價比的如凈化燈、風淋室、傳遞窗燈專業凈化設備。實現一站式施工服務,無需多方購買。
5、免費檢驗檢測
施工結束后,可提供一次由康瑞鑫專業檢測團隊提供的免費檢測服務,運用專業檢驗檢測設備,綜合檢測空氣質量,菌落含量,溫濕度情況等檢驗檢測項目。確保第三方檢測驗收一次性通過。
為了讓大家能夠更了解康瑞鑫凈化公司,接下來為大家簡單介紹一下擁有二十年的老牌凈化工程公司——山東康瑞鑫凈化工程公司
山東康瑞鑫凈化科技有限公司現擁有建設廳頒發的貳級,叁級資質,專業承接各級別的車間凈化工程項目!公司致力于空氣凈化工程的改善以及外表的裝飾,從客戶需求出發,精心設計,嚴格施工,在全國各大城市均設有分支機構,為客戶提供方便周到專業的技術支持和售后服務。
山東康瑞鑫凈化科技有限公司,擁有行業內全套的凈化資質,其中包含環保工程專業承包,機電工程總承包,建筑裝飾裝修工程專業承包等。注冊資金高達2000萬,可放心選擇。
聯系方式
聯系人:山東康瑞鑫凈化科技有限公司
電子郵箱:krxjiejing@163.com
官方網址:m.va2ol.cn
聯系地址
公司地址:山東省青島市城陽區恒大御瀾國際32號樓1單元8樓
工廠地址:青島市城陽區洼里工業園富民路中段

聯系電話
微信掃一掃
返回頂部
Copyright 2005-2016 山東康瑞鑫凈化科技有限公司 ALL Rights Reserved